ZKLF Axial-Schrägkugellager - LKPB

Im Bereich Maschinen und Automatisierung ist eine präzise Kontrolle der Axialbewegung für optimale Leistung und Effizienz von entscheidender Bedeutung. ZKLF/ZKLN-Axial-Schrägkugellager spielen eine entscheidende Rolle bei der Erreichung dieser Präzision, da sie eine zuverlässige Unterstützung axialer Belastungen bieten und eine genaue Bewegungssteuerung in einer Vielzahl von industriellen Anwendungen ermöglichen. In diesem Artikel werden die Merkmale, Vorteile und Anwendungen der Axial-Schrägkugellager ZKLF/ZKLN untersucht und ihre Bedeutung für die Antriebseffizienz und Präzision in Bewegungssteuerungssystemen hervorgehoben.

Feinmechanik für Axialbewegungen:

ZKLF/ZKLN-Axial-Schrägkugellager wurden sorgfältig entwickelt, um eine außergewöhnliche Unterstützung axialer Lasten zu bieten und eine präzise axiale Bewegung in Maschinen und Automatisierungssystemen zu ermöglichen. Diese Lager verfügen über ein innovatives Design mit Schrägkugellagern, die strategisch angeordnet sind, um sowohl radiale als auch axiale Belastungen aufzunehmen. Diese einzigartige Konfiguration minimiert die Reibung und gewährleistet einen reibungslosen Betrieb, was zu einer optimalen Leistung in einer Vielzahl industrieller Anwendungen beiträgt.

Hohe Steifigkeit und Belastbarkeit:

Eines der Hauptmerkmale der ZKLF/ZKLN-Axial-Schrägkugellager ist ihre hohe Steifigkeit und Tragfähigkeit. Diese Lager sind so konzipiert, dass sie hohen axialen Belastungen standhalten und auch unter anspruchsvollen Betriebsbedingungen stabilen Halt bieten. Diese Funktion ist von entscheidender Bedeutung für Anwendungen, bei denen Präzision und Haltbarkeit im Vordergrund stehen, wie z. B. CNC-Bearbeitungszentren, Präzisionsmessgeräte und Robotersysteme.

Branchenübergreifende Vielseitigkeit:

ZKLF/ZKLN-Axial-Schrägkugellager finden Anwendung in einer Vielzahl von Branchen, darunter Automobil, Luft- und Raumfahrt, medizinische Geräte und Robotik. Ob in Spindelbaugruppen von Werkzeugmaschinen, linearen Bewegungssystemen oder Roboterarmen – diese Lager zeichnen sich durch eine zuverlässige und genaue Unterstützung der axialen Bewegung aus. Ihre Vielseitigkeit und Präzision machen sie zu unverzichtbaren Komponenten in verschiedenen Industriebereichen und tragen zur Effizienz und Leistung von Maschinen und Automatisierungssystemen bei.

Für eine lange Lebensdauer versiegelt und geschmiert:

Um eine langfristige Zuverlässigkeit und Leistung zu gewährleisten, sind ZKLF/ZKLN-Axial-Schrägkugellager mit wirksamen Dichtungs- und Schmiersystemen ausgestattet. Diese Eigenschaften schützen die Lager vor Verunreinigungen und verhindern vorzeitigen Verschleiß, wodurch ihre Lebensdauer verlängert und der Wartungsaufwand verringert wird. Das abgedichtete Design trägt außerdem dazu bei, eine optimale Schmierung aufrechtzuerhalten, was die Effizienz und Haltbarkeit der Lager in rauen Betriebsumgebungen weiter verbessert.

 

Anpassungsmöglichkeiten für spezifische Anforderungen:

ZKLF/ZKLN-Axial-Schrägkugellager bieten Anpassungsoptionen für unterschiedliche Anwendungsanforderungen. Ingenieure können aus verschiedenen Größen, Tragfähigkeiten und Konfigurationen wählen, um diese Lager an ihre spezifischen Bedürfnisse anzupassen. Diese Flexibilität ermöglicht eine größere Vielseitigkeit bei der Gestaltung von Maschinen und Automatisierungssystemen, die auf Leistung und Effizienz optimiert sind.

ZKLF/ZKLN Axial-Schrägkugellager
ZKLF/ZKLN Axial-Schrägkugellager

Abschluss:

ZKLF/ZKLN-Axial-Schrägkugellager gelten als wesentliche Komponenten im Bereich der Bewegungssteuerung, Antriebseffizienz und Präzision in Maschinen und Automatisierungssystemen. Ihre Präzisionskonstruktion, hohe Steifigkeit, Belastbarkeit und Anpassungsmöglichkeiten machen sie unverzichtbar für die Aufnahme axialer Lasten in einer Vielzahl industrieller Anwendungen. Da die Industrie weiterhin höhere Effizienz und Zuverlässigkeit von ihren Maschinen und Automatisierungssystemen verlangt, bleiben ZKLF/ZKLN-Axial-Schrägkugellager an der Spitze und treiben Innovation und Exzellenz in der Bewegungssteuerungstechnologie voran.

ZKLF/ZKLN Axial-Schrägkugellager-Produktmodell

ZKLF/ZKLN Axial-Schrägkugellager

ZKLF Axial-Schrägkugellager

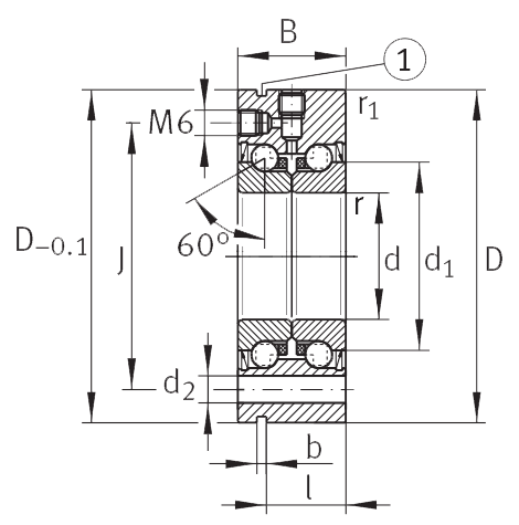
LKPB-Modell  Gewicht Größe Axiale Tragzahl Geschwindigkeit begrenzen Haltebolzen Anzugsdrehmoment Reibungsmoment
KG D D B D1 R R1 J D2 B ICH Cr KN Cor KN U/min Norm Menge Nm Nm
ZKLF1255-2RS 0.37 12 55 25 25 0.3 0.6 42 6.8 3 17 16.9 24.7 3800 M6 3 8 0.16
ZKLF1255-2Z                           7600       0.08
ZKLF1560-2RS 0.43 15 60 25 28 0.3 0.6 46 6.8 3 17 17.9 28 3500 M6 3 10 0.2
ZKLF1560-2Z                           7000       0.1
ZKLF1762-2RS 0.45 17 62 25 30 0.3 0.6 48 6.8 3 17 18.8 31 3300 M6 3 15 0.24
ZKLF1762-2Z                           6600       0.12
ZKLF2068-2RS 0.61 20 68 28 34.5 0.3 0.6 53 6.8 3 19 26 47 3000 M6 4 18 0.3
ZKLF2068-2Z                           5400       0.15
ZKLF2575-2RS 0.72 25` 75 28 40.5 0.3 0.6 58 6.8 3 19 27.5 55 2600 M6 4 25 0.4
ZKLF2575-2Z                           4700       0.2
ZKLF3080-2RS 0.78 30 80 28 45.5 0.3 0.6 63 6.8 3 19 29 64 2200 M6 6 32 0.5
ZKLF3080-2Z                           4300       0.25
ZKLF30100-2RS 1.63 30 100 38 51 0.3 0.6 80 8.8 3 30 59 108 2100 M8 8 65 0.8
ZKLF30100-Z                           4000       0.4
ZKLF3590-2RS 1.13 35 90 34 52 0.3 0.6 75 8.8 3 25 41 89 2000 M8 4 40 0.6
ZKLF3590-2Z                           3800       0.3
ZKLF40100-2RS 1.46 40 100 34 58 0.3 0.6 80 8.8 3 25 43 101 1800 M8 4 55 0.7
ZKLF40100-2Z                           3300       0.35
ZKLF40115-2RS 2.2 40 115 46 65 0.6 0.6 94 8.8 3 36 72 149 1600 M8 12 110 1.3
ZKLF40115-2Z                           3100       0.65
ZKLF50115-2RS 1.86 50 115 34 72 0.3 0.6 94 8.8 3 25 46.5 126 1500 M8 6 85 0.9
ZKLF50115-2Z                           3000       0.45
ZKLF50140-2RS 4.7 50 140 54 80 0.6 0.6 113 11 3 45 113 250 1200 M10 6 150 2.6
ZKLF50140-2Z                           2500       1.3
ZKLF60145-2Z 4.3 60 145 45 85 0.6 0.6 120 8.8 3 35 84 214 3000 M8 8 100 1
ZKLF70155-2Z 4.9 70 155 45 85 0.6 0.6 130 8.8 3 35 88 241 2800 M8 8 130 1.2
ZKLF80165-2Z 5.3 80 165 45 105 0.6 0.6 140 8.8 3 35 91 265 2700 M8 8 160 1.4
ZKLF90190-2Z 8.7 90 190 55 120 0.6 0.6 165 11 3 45 135 395 2300 M10 8 200 2.3
ZKLF100200-2Z 9.3 100 200 55 132 0.6 0.6 175 11 3 45 140 435 2150 M10 8 250 2.6
ZKLF/ZKLN Axial-Schrägkugellager
LKPB-ModellGewichteGrößeAxiale TragzahlGeschwindigkeit begrenzenAnzugsdrehmomentReibungsmoment
KGDDBD1RR1Cr KNCor KNU/minNmNm
ZKLN0619-2Z0.0261912120.30.34.96.11400010.01
ZKLN0624-2RS0.0362415140.30.66.98.5680020.04
ZKLN0624-2Z         12000 0.02
ZKLN0832-2RS0.0983220190.30.612.516.3510040.08
ZKLN0832-2Z         9500 0.04
ZKLN1034-2RS0.1103420210.30.613.418.8460060.12
ZKLN1034-2Z         8600 0.06
ZKLN1242-2RS0.2124225250.30.616.924.7380080.16
ZKLN1242-2Z         7600 0.08
ZKLN1545-2RS0.21154525280.30.617.9283500100.2
ZKLN1545-2Z         7000 0.1
ZKLN1747-2RS0.22174725300.30.618.8313300150.24
ZKLN1747-2Z         6600 0.1
ZKLN2052-2RS0.3120522834.50.30.626473000180.3
ZKLN2052-2Z         5400 0.15
ZKLN2557-2RS0.3425572840.50.30.627.5552600250.4
ZKLN2557-2Z         4700 0.2
ZKLN3062-2RS0.3930622845.50.30.629642200320.5
ZKLN3062-2Z         4300 0.25
ZKLN3072-2RS0.72307238510.30.6591082100650.8
ZKLN3072-2Z         4000 0.4
ZKLN3572-2RS0.51357234520.30.641892000400.6
ZKLN3572-2Z         3800 0.3
ZKLN4075-2RS0.61407534580.30.6431011800550.7
ZKLN4075-2Z         3300 0.35
ZKLN4090-2RS0.95409046650.60.67214916001101.3
ZKLN4090-2Z         3100 0.65
ZKLN5090-2RS0.88509034720.30.646.51261500850.9
ZKLN5090-2Z         3000 0.45
ZKLN50110-2RS2.55011054800.60.611325012001502.6
ZKLN50110-2Z         2500 1.3
ZKLN60110-2Z2.26011045850.60.68421430001001
ZKLN70120-2Z2.47012045950.60.68824128001301.2
ZKLN80130-2Z2.780130451050.60.69126527001601.4
ZKLN90150-2Z4.590150551200.60.613539523002002.3
ZKLN100160-2Z4.9100160551320.60.614043521502502.6

Für fachkundige Beratung bei der Erfüllung Ihrer spezifischen Anforderungen wenden Sie sich an unser kompetentes Team. Erleben Sie aus erster Hand, wie unsere Präzisionslösungen die Effizienz und Haltbarkeit Ihrer Maschinen steigern können. Kontaktiere uns heute!

LKPB Mit mehr als 10 Jahren Produktionserfahrung

Unterstützender OEM-Service; 50 Tage Rückgabeservice; 7*24 Stunden technischer Support; Akzeptieren Sie nicht standardmäßige Anpassungen. Maximal 24 Monate Produktgarantie

LKPB®

Schnell ein kostenloses Angebot erhalten

Bitte teilen Sie uns das Produktmodell und die Menge mit, die Sie benötigen, und wir werden Ihnen das günstigste Angebot unterbreiten! Alternativ können Sie auch unser kompetentes Kundenservice-Team kontaktieren:
Email: [email protected]  WhatsApp/Wechat: +86 13613886217

    Kontakt

    FAQ

    Luoyang LIKE Precision Machinery Co., Ltd – LKPB®, Produktgenauigkeit kann P5, P4, P2 und VSP sein, Innendurchmesser-Größenbereich φ20 mm – φ2000 mm. Maximale Produktqualitätsgarantie von 24 Monaten, OEM-akzeptabel.

    LKPB Mit mehr als 10 Jahren Produktionserfahrung der professionellste Lieferant von Präzisionslagern in China. 

    LKPB® Befolgt strikt die Anforderungen des ISO9001-Qualitätssystems für die Produktqualitätskontrolle und stützt sich auf die professionelle Technologie der Lagerproduktionsbasis. Die Produktqualität ist stabil und kostengünstig.

    LKPB®, die Welt drehen, unbegrenzt tragen! In den zehn Jahren unseres Bestehens haben wir Tausende von Kunden auf der ganzen Welt betreut.

    Unser zukünftiges Ziel ist es, der professionellste Hersteller von Rundtischlagern und Kreuzrollenlagern in China zu werden und zu produzieren LKPB® eine Weltklasse-Lagermarke.

    Das ist unsere Vision und Richtung!

    LKPB® hat in den letzten 10 Jahren umfangreiche Produktionserfahrung gesammelt und den OEM-Service unterstützt. Unsere Produkte werden nach Deutschland, Italien, Korea, Japan, in die Vereinigten Staaten, Belgien, in die Türkei usw. exportiert.

    Top Qualität:

    1. Präzision Rundtischlager ( YRT, YRTCYRTS, YRTMZKLDF Serie) ;

    2. Präzision Kreuzrollenlager ( RA/RA-C, RAURBRU, RW, RE, SXXU, XV, XSUXR/JXRCRB/CRBC, CRBF/CRBFV,  CRBH/CRBHV, CRBS/CRBSV, CRBT/CRBTF-Serie); 

    3. Präzision Dünnringlager ( KAA, KA, KB, KC, KD, KF, KG, JHA, JA, JB, JG, JU-Serie);  

    4. Harmonische Reduzierlager für Roboter (CSF/CSGSHF/SHG, Z-Serie und Flexible kugellager F, 3E-Serie); 

    5. Schrägkugellager (Serie 718, 719, 70, 72, 2344/2347);  

    6. Kugelumlaufspindel-Stützlager (ZKLF(N), ZARF, ZARN-Serie);

    7. Hohle Drehbühnenlager (ZK-Serie).

    Ja, wir haben Erfahrung in der Arbeit in diesem Bereich

    Die Hauptanwendungsbereiche unserer Produkte sind Präzisionsdrehtische, Drehtische für Bearbeitungszentren, Gelenke und rotierende Industrieroboter, rotierende Roboterteile, CNC-Werkzeugmaschinen, Automatisierungsindustrie, Direktantriebsmotoren, Präzisionsinstrumente, Radar, medizinische Geräte und andere Branchen.

    Reguläre Modelle sind auf Lager, zu angemessenen Preisen, sofort lieferbar, nicht standardmäßige Präzisionslager gemäß den Anforderungen der Zeichnungen und die Lieferzeit beträgt 1–3 Wochen